可调恒流驱动器 ACD-12N-101 ACD-12N-201
主要特点
⚫ 线性电流调节,使用方便
⚫ 深度负反馈技术 输出电流
⚫ 100mA 级别、200mA 级别
⚫ 电流波动低至 0.01%
⚫ 体积小巧,方便集成到用户的仪器中
应用领域
⚫ 半导体测试
⚫ 材料分析测试
⚫ 科学研究
⚫ 生物学与医学分析
⚫ 荧光检测与分析
⚫ 化学发光检测分析
⚫ 水质及食品检测分析
⚫ 精密仪器仪表
⚫ 测试测量设备
⚫ 高精度激光器恒流驱动
⚫ 高精度 LED 恒流驱动
⚫ 液晶屏背光恒流驱动
⚫ 压差、风速、流量等传感器桥式电路驱动
⚫ 光谱学应用
型号参数

备注:
1) 本产品设计时留有一定余量,参数范围以外可以实现电流输出,但是波动较大,厂家不推 荐使用;
2) 使用大负载阻抗时,需要调小电流输出;
3) 驱动器耗电分成两部分:本底消耗电流,约为 5mA,转换消耗电流,取决于负载; 转换效率计算需扣除本底消耗电流; 总电源供电≥300mA,则一定不会出错;
4) 长时间使用时,需要为驱动器散热。
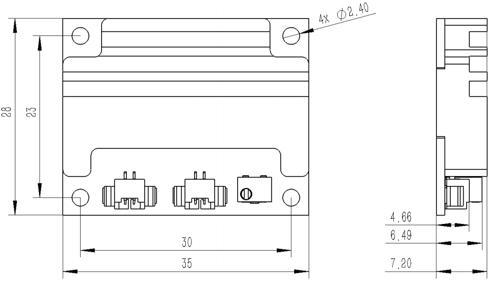
结构尺寸图

型号命名规则
